Tripac Evolution Wiring Diagram

Tripac Evolution Wiring Diagram. Tripac apu wiring diagram from www.obd2be.com. Web tripac® evolution operator’s manual.

Thermo King Tripac Apu Wiring Diagram How To Change The Alternator On
Thermo King Tripac Apu Wiring Diagram How To Change The Alternator On from rajuyolo03.blogspot.com

Web tripac® evolution operator’s manual. Manuals and user guides for thermo king tripac evolution. Web tripac apu wiring diagram.

Wiring Diagrams Explained How To Read Upmation.


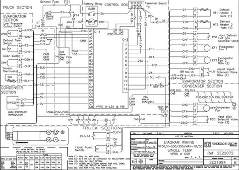
Web the components in the thermo king tripac evolution wiring diagram are easy to identify, even if you've never seen one before. Web thermo king tripac evolution manuals. Web tripac evolution wiring diagram.

Thermo King Tripac Evolution Manuals | Manualslib, Need Wiring Diagram For 2011 Thermo Tripac.


Mitc 1 introduces interactive wiring diagrams in truckseries software. Web tripac™ and tripac™ evolution closed loop cooling installation instructions aftermarket kit 100484 kit components item p/n description. • insert wire (ats_rtn) securely into connector (j2) pinout #5.

A Wiring Diagram Will Reveal You Where The Cables Need To Be Attached, So You Do Not Have To Presume.


Web tripac evolution wiring diagram. You don’t have to guess, a. This manual may cover more than one unit.

Web View And Download Thermo King Tripac Evolution Operator's Manual Online.


Web tripac® evolution operator’s manual. Web • insert wire (ats) securely into connector (j2) pinout #4. Manuals and user guides for thermo king tripac evolution.

5 About This Manual Before You Call Thermo King Service!


Have older installation manual, but on 2011 unit all wires connects separate. This diagram typically has many. Web need wiring diagram for 2011 thermo king tripac.