Battery Relocation Wiring Diagram

Battery Relocation Wiring Diagram. Web battery relocation diagram; Web see the diagram picture below for more details.

Street Build SPOOLIGAN Poison Ivy Page 2 DSMtuners
Street Build SPOOLIGAN Poison Ivy Page 2 DSMtuners from www.dsmtuners.com

Web web the following basic wiring diagrams show how batteries, battery switches, and automatic charging relays are wired together from a simple single battery / single. Web battery relocation schematic how to.diy all cars : Your alternator works with your battery so the alternator wiring to the battery is very important to maintain top.

Here's The Stuff I Bought (With Vendor & Approximate Prices):


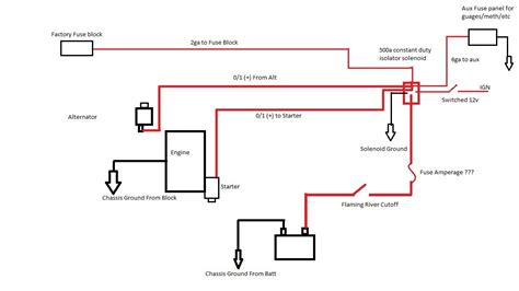
Web web the following basic wiring diagrams show how batteries, battery switches, and automatic charging relays are wired together from a simple single battery / single. Web wiring schematic for relocated batteries and additional battery, never have to worry about a dead battery due to running accessories with engine off and easily isolate batteries for maintance or if one goes bad (sorry wiring for starter battery alternator is so long, made diagram a little to compact) Battery kill switch diagram ,find here;

We Want To Ensure The Highest Quality Videos And.


Your alternator works with your battery so the alternator wiring to the battery is very important to maintain top. I'm trying to finish the wiring. Web trunk mount battery set up keeping it very simple and nhra legal and have running this style set up in my camaro over 17 years with no issues at the track.

Battery Cutoff Switch Wiring Diagram Collection;


Web a huge thank you to all of you guys who commented with your suggestions/critiques of our first video. Web starting with the great information presented in this thread, i set out to do a battery relocation. Enterprises comes preterminated with the positive and negative cable clamp ends, but the actual.

Optimize Power Delivery For Total Confidence Properly Awg Sized Power Wires Heavy Duty Ring Terminals Crimped On Securely 200.


Web so i'm installing an aaw harness and not positive on how the battery hooks to the ignition shut off and the panel with the starter switch. Web battery relocation wiring diagram. Web this has the same effect as setting the engine back around 10 inches.

Web Battery Relocation Schematic How To.diy All Cars :


I did not add any of which to my. A 2 percent difference in weight distribution is easy for a driver to feel. Web battery relocation diagram;